----- Experience in your own room the magical nature of stereo sound -----

 

 

What's new

 

LX - Store

 

BLACKLIST

 

Conversations
with Fitz

 

OPLUG
Forum

 

Basics

The Magic in 2-Channel Sound

Issues in speaker
design

Dipole models

Active filters

Amplifiers etc

Microphone

FAQ's

Loudspeakers

Crossovers

Room acoustics

Stereo Recording and Rendering

Audio production

Conclusions

 

Projects

Your own desig

LXmini

LXmini+2

LXstudio

LX521.4

LX521
reference

ORION
challenge

ORION-3.4

PLUTO-2.1

WATSON-SEL

PLUTO+
subwoofer

THOR
subwoofer

PHOENIX
dipole speaker

Three-Box active
system (1978)

Reference
earphones

Surround
sound

Loudspeaker
& Room

 

Resources

Publications

Sound recordings

Links

Other designs

My current setup

About me

Site map

 

HOME

 

------------------
Digital Photo
Processes

 

------------------
The
Sea Ranch

 

------------------
My Daughter
the Jeweler

 

What's new

 

LX - Store

 

Conversations
with Fitz

 

OPLUG
Forum

 

 

 

| Build-Your-Own | Main Panel | Dipole Woofer | Crossover/EQ | Circuit Board |
| System Test | Design Models | Prototypes | Active Filters | Surround | FAQ |

 

Dipole prototypes

You may not be familiar with the sonic benefits of open baffle speakers from direct experience and therefore hesitate to launch into building the PHOENIX. After all, such project would take a major commitment of your time and money. Instead, you might want to try first a less costly design, but something still indicative of what ultimately can be achieved. 
To this purpose I describe a dipole woofer of easy H-frame construction, and a small dipole 2-way speaker that uses very economical drivers and a passive crossover. Equalization of the 6 dB/oct dipole roll-off, and a woofer to midrange crossover filter, is accomplished with line level resistor/capacitor networks, connected between preamplifier and power amplifier. This avoids dealing with active electronics, but requires considerably higher output voltage from the preamplifier to compensate for the insertion loss of the networks. 

A - Open-baffle woofer - PW1
B - Woofer crossover to existing midrange - PXM1
C - Mini open-baffle speaker - PMT1
D - Main panel with passive crossover to tweeter - PMTM1
E -
Crossover/Equalizer for passive dipole woofer
F - Transition to fully active systems

 

A - Open-baffle woofer - PW1


H-frame woofer, 27x14x16 inch, with 12" Peerless XLS 830500 drivers.

The woofer cabinet is essentially only a sound barrier between the output from the front and rear radiating 12" drivers. The sketch below shows the cabinet dimensions in inch. Construction  materials are not critical. You may want to add mass on top or bottom of the cabinet to reduce its movement, which is caused by the force of the drivers' moving masses. The movement is not critical as long as it is non-resonant, because the radiating surfaces are small and act as dipoles. Also, place the cabinet on felt pads to avoid rattles. Two of these woofers are need, since otherwise output and distortion performance are marginal.

At the opening of the cabinet you can measure a frequency response that has not been affected by dipole cancellation, because the microphone is so close to the source. As you move the microphone away, the response will decrease progressively as frequency goes down and more of the rear output cancels the sound at the microphone. This must be equalized to obtain a flat woofer response. 

The woofer is equalized only down to 30 Hz to limit cone excursion demands. Below 30 Hz and below Fs of the driver the response ultimately approaches an 18 dB/oct roll-off slope. 
At 100 Hz a 2nd order L-R lowpass filter forms one half of the crossover to the midrange. The desired acoustic response is controlled closely by the electrical network. Thus, a variety of 12" drivers can be used with the network. 
Not equalized are the driver roll-off behavior as determined by Fs and Qt and the air cavity resonance around 250 Hz. Different options for the midrange crossover highpass filter will be shown below. 

The woofer crossover/eq response is obtained from a passive line level network between preamplifier and power amplifier. The disadvantages of this solution are 1) a high insertion loss, and 2) the exact transfer function can only be approximated. 
The insertion loss can be compensated with a higher volume setting on the preamplifier, if it is capable of the necessary voltage swings at the required playback volume level.
Using only resistors and capacitors in the network and no inductors leads to the approximation of the transfer function. Inductors would be impractical, because of the large values needed for the high impedance levels that must be used at the preamplifier to power amplifier interface. 
It is important that the input impedance of the power amplifier is 10k ohm, otherwise all network impedances must be scaled proportionally to its different value to stay close to the targeted response.
An active circuit with the target response and 0 dB insertion loss is shown in w-xo-lp2.gif for comparison and may become a better solution if the preamplifier has insufficient output. A circuit with this type of response can be constructed using one of my general topology printed circuit boards. - Top

 

B - Woofer crossover to existing midrange - PXM1

The woofer equalization network above already includes a 100 Hz, 12 dB/oct lowpass filter for the acoustic crossover to the midrange. On the midrange side a 12 dB/oct acoustic highpass filter is need. There are several possibilities.
1 - The midrange happens to exhibit the correct acoustic highpass behavior, is 6 dB down at 100 Hz and falls off at 12 dB/oct, which means it is some closed box speaker. In that circumstance no electrical filter is required and only the level to the midrange power amplifier has to be adjusted relative to the woofer amplifier. Since the woofer xo/eq has no gain, but the low frequency output of the dipole woofer has to be boosted relative to the midrange, an adjustable attenuator must be placed ahead of the midrange amplifier. This can simply be the attenuator section (5.11k - 5k pot - 1k) of the circuit below. 
2 - The midrange frequency response happens to be almost flat to 50 Hz or below as maybe for a small monitor. In that case the midrange unit will primarily add phase shift at a 100 Hz, but little amplitude change. Now the line level network below can be used. The extra phase shift adds a certain amount of delay which can be compensated for by positioning the midrange forward of the woofer.
An active circuit with the target response and 0 dB insertion loss is shown in m-xo-hp2.gif for comparison and may become a better solution if the preamplifier has insufficient output. A circuit with this type of response can be constructed using one of my general topology printed circuit boards.

3 - Neither of the two cases above apply. You might try a single capacitor in conjunction with the variable attenuator to form a 6 dB/oct highpass, if the midrange exhibits already some roll-off at 100 Hz. 
This might be a situation where full equalization of the midrange highpass behavior becomes necessary. An active circuit (biquad) allows to shift the poles in the midrange response to the desired crossover frequency. A circuit with this type of response can be constructed using one of my general topology printed circuit boards.  - Top

 

C - Mini open-baffle speaker - PMT1

There is a practical limit to the smallest size of an open baffle speaker, if it is expected to reproduce a balanced full range sound spectrum. The PMT1 represents this case. The speaker might be used for a stereo system in a small room or for side and rear speakers in an audio surround setup. I have little experience with home theater, but expect that it would perform especially well as a center speaker, because of its well behaved and wide polar response. The lack of magnetic shielding might be an issue. 

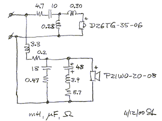
The design is a 2-way loudspeaker with a passive crossover between a Vifa P21WO-20-08 woofer and a Vifa D26TG-35-06 soft dome tweeter. I am sure some of you have preferences for different drivers and so you might use this design as a starting point for your own experimentation. An alternative tweeter could be the silk dome D27TG-45-06, but I have observed some variability with the supplied units.

The cabinet design follows the concepts of the PHOENIX main panel. The dimensions are slightly different to reduce size. The hole cutouts and recesses must be adjusted to the Vifa drivers and the gasket materials used.

 

The on-axis frequency response shows the inevitable dipole roll-off at 6 dB/oct towards low frequencies. To maintain perceived spectral balance the high end is rolled off slightly to compensate for the low end behavior. It is possible to use some low frequency equalization, but as this increases the cone excursions, the 8" driver will sooner begin to distort. 
A line level equalization down to 50 Hz is shown below. Again, it comes at the expense of high insertion loss and greater demands on the preamplifier output capability. 

Note, if this speaker will be used with separate woofers, ideally dipole woofers, then you want to avoid the compensatory high frequency roll-off. Use a slightly different midrange/tweeter crossover and add a crossover of your own design for midrange and woofer. This is best accomplished actively, since the woofer already requires active equalization

Reversal of the tweeter polarity and the ensuing depth of the notch indicate the accurate addition of midrange and tweeter output through the crossover region in normal mode.

The passive crossover is relatively simple, though unusual for the midrange as it corrects for some of the dipole behavior. The 3.3 mH inductor should have low DC resistance (<0.2 ohm). The 48 uF capacitor can be formed by the series connection of two 100 uF electrolytics (Panasonic HF-Series). The terminal impedance has a minimum of 5 ohm between 100 Hz and 200 Hz.

Quick and messy looking crossover. The electrons don't mind as long as the fields don't couple..

The line level equalizer below uses a bridge type network to increase the rate of frequency response change around 200 Hz. This avoids causing a bump in the speaker output response. 

The identical frequency response could be obtained with an active network, but since equalization is of questionable value due to cone excursion limitations, I will not present it. The PMT1 speaker should only be used where its somewhat limited output capability is acceptable. There it will show the benefits of the box-less approach, namely open, uncolored and transparent sound reproduction. - Top

 

D - Main panel with passive crossover to tweeter - PMTM1

This prototype uses the same main panel as the PHOENIX except for slightly different hole diameters, recesses and spacing of the spine to accommodate two Vifa P21WO-20-08 and a D27TG-45-06 driver. The crossover between midrange and tweeter is passive to avoid an additional power amplifier and active line level electronics. The response is equalized to 50 Hz at the low end with a passive line level network as for the PMT1 above. No additional woofer is required, if the system is used in small rooms and at moderate sound levels.
Different drivers could be employed, but the component values in the crossover will have to be revised to compensate for differences in terminal impedance, sensitivity and frequency response. I leave such experimentation up to you, and if you learn something exciting, please let me know.

Starting with a measurement of the drivers on the baffle, you notice that the midrange slopes down towards lower frequencies from a peak at 400 Hz. To remove the peak and to move the roll-off an octave lower, the crossover must attenuate the signal seen by the 8" drivers. This in turn requires that the tweeter highpass filter has insertion loss to match its acoustic output level with that of the midrange. 

The midrange lowpass filter in the crossover has an unusual topology to correct for the peak and extend the flat region of the response. The dc resistances of the two coils in the lowpass section are included in the resistor values shown.

The necessary electrical driving voltage response is measured across the driver terminals. The slopes of the midrange and tweeter filters are different. The steeper slope for the tweeter provides additional phase shift in the crossover region to delay the electrical signal and to bring the acoustic output in phase with the midrange. 

Since the tweeter is mounted forward of the midrange the added electrical delay gives better summation of the two acoustic outputs. The graph below shows the on-axis response. To obtain an idea about the very important off-axis behavior of the PMTM1 review the response curves for the PHOENIX on the System Test page.

The low frequency response can be extended with the same passive line level equalizer network as for the PMT1 speaker above. For a closer look at the corrected response the time data record for the FFT is increased to 120 ms. The resulting frequency response is no longer anechoic and includes reflections from surroundings of the outdoor test site. The ripples in the response are an indication of this and may have been caused by objects as far as 60 feet away.

Equalization with the simple circuit is not completely effective, because the roll-off is not only due to the 6 dB/oct dipole behavior, but also due to the low Qts (~0.33) of the 8" drivers at their 30 Hz resonance. The compound slope is steeper than 6 dB/oct. 
A simple active line level equalizer avoids the high insertion loss, large output voltages from the preamplifier, and the 10k amplifier input impedance requirement of the passive network. A more complicated circuit could be used to to push the influence of the 8" driver parameters to a lower frequency. Since this also increases cone excursion demands it is more appropriate to use a separate dipole woofer. A circuit with the desired response can be constructed using one of my general topology printed circuit boards.

The crossover input impedance is greater than 7.5 ohm at all frequencies and an easy load to drive for a solid state power amplifier. The impedance peak at 500 Hz can be leveled with a R-L-C Zobel network at the input of the crossover. Also, a R-C network might be added to terminate the speaker cable into 10 ohm for frequencies above 50 kHz. Otherwise the cable might act as a resonant antenna in the AM frequency band. Strong radio signals applied to the output of the power amplifier can lead to a degradation of sound quality in some circumstances. - Top

 

E - Crossover/Equalizer for passive dipole woofer

A passive crossover with built-in 6 dB/oct equalization can be approximated with a simple L-C lowpass network. A potential problem is the low impedance that this circuit presents to the power amplifier. A surprising number of amplifiers have difficulty to drive sufficient current into such load. The 10 mH inductor must have very low resistance and a laminated steel core to keep distortion low and avoid saturation.

Used with PHOENIX or H-frame style woofers the XO/EQ can provide frequency extension down to about 40 Hz for the PMTM1. Such fully passive crossover, 3-way open baffle speaker requires a solid-state amplifier capable of delivering at least 75 W into 4 ohm simultaneously to both channels. Active, line-level equalized woofers would require their own amplifiers, but have much less serious power demands. - Top

 

F - Transition to fully active systems

In addition to the active equalization of the PMTM1 low frequency response, the crossover to the tweeter could be made active. Further, with an active crossover to the PW1 dipole woofer, the PMTM1 will turn into a lower cost version of the PHOENIX (FAQ7, FAQ11). The woofer may be needed to reduce distortion due to large excursions of the 8" drivers when more bass output level is desired. 
All the necessary electronics for such systems are laid out on the PHOENIX printed circuit board. Only some of the component values need to be adjusted for different drivers or a 2-way configuration. Using the PHOENIX active crossover/eq topology also makes it easy for you to experiment with completely different models and makes of drivers for either a 2-way or 3-way system. Alternatively, you could use my general topology printed circuit boards to build your own desired configuration. - Top

 

| Build-Your-Own | Main Panel | Dipole Woofer | Crossover/EQ | Circuit Board |
| System Test | Design Models | Prototypes | Active Filters | Surround | FAQ |

 

 

What you hear is not the air pressure variation in itself 
but what has drawn your attention
in the streams of superimposed air pressure variations 
at your eardrums

An acoustic event has dimensions of Time, Tone, Loudness and Space
Have they been recorded and rendered sensibly?

___________________________________________________________
Last revised: 04/17/2021   -  © 1999-2019 LINKWITZ LAB, All Rights Reserved