----- Experience in your own room the magical nature of stereo sound -----

 

 

What's new

 

LX - Store

 

BLACKLIST

 

Conversations
with Fitz

 

OPLUG
Forum

 

Basics

The Magic in 2-Channel Sound

Issues in speaker
design

Dipole models

Active filters

Amplifiers etc

Microphone

FAQ's

Loudspeakers

Crossovers

Room acoustics

Stereo Recording and Rendering

Audio production

Conclusions

 

Projects

Your own desig

LXmini

LXmini+2

LXstudio

LX521.4

LX521
reference

ORION
challenge

ORION-3.4

PLUTO-2.1

WATSON-SEL

PLUTO+
subwoofer

THOR
subwoofer

PHOENIX
dipole speaker

Three-Box active
system (1978)

Reference
earphones

Surround
sound

Loudspeaker
& Room

 

Resources

Publications

Sound recordings

Links

Other designs

My current setup

About me

Site map

 

HOME

 

------------------
Digital Photo
Processes

 

------------------
The
Sea Ranch

 

------------------
My Daughter
the Jeweler

 

What's new

 

LX - Store

 

Conversations
with Fitz

 

OPLUG
Forum

 

 

 


    | Introduction | Specifications | Construction | Electronics | Supplies | Photos | PLUTO+ | Pluto-2 | Pluto-3 |

 

-----  This page has become obsolete with the introduction of PLUTO-2.1 -----

 

Pluto-2

Pluto-2 is a small 2-way loudspeaker system that brings a number of practical refinements to the original PLUTO design and construction. A key component is the Seas L16RN-SL (H1480-08) midrange/woofer driver. It allowed to extend the loudspeaker's frequency response down to 40 Hz, -3 dB because of its greater excursion capability before unacceptable distortion. Pluto-2 is thus to me a full-range speaker for a wide range of program material. It should be optimal for people with small spaces or low budgets and who want accurate sound reproduction. The speakers are light and easily moved into the location that gives the best possible sound even in a cramped room. They will be outstanding in sound stage size and image placement in a large room and with the listener close on up. With two built-in power amplifiers it only takes a volume controlled source like a preamplifier, a universal player, a laptop or an i-Pod to set up a complete sound system.

The three power amplifier ICs now have a larger heat sink and are unlikely to shut down for thermal limiting. The base had to be increased in height to accommodate the sheet-metal heat sink. It is also more open for ventilation and similar in that respect to the Wood Artistry built version of Pluto-2.

 

 A problem for many PLUTO builders was the specified rubber coupler that holds the midrange/woofer. It is difficult to find in some countries. To some it looks too much like plumbing. The Wood Artistry treatment of it is beyond the scope of DIY.  
Alternatively, I am using a 4" pipe coupler which is a standard component. Around its circumference are mounted 12 narrow slats of 0.5" plywood. This gives enough internal volume to clear the driver's large magnet. It also provides a mounting surface to the driver's rim. Being wood, it is easily painted.
This is an attractive alternative.

 

 

The coloring of the loudspeakers is readily adapted to one's living space and taste. Here are versions in shades of green, in silver and satin black from Wood Artistry, and in red with textured black. 

 

Optional growth paths:

As with PLUTO there is the possibility to add subwoofers and to form a 3-way Pluto-2+ system with a dedicated active crossover/equalizer to generate the necessary input signals for driving Pluto-2 and the subwoofers. 

Such 3-way system could also be built with two ORION ASP circuit boards in their own enclosure and with six external power amplifiers. I call this Pluto-3

The 3-way system solutions are more expensive and less cost effective than the 2-way Pluto-2. So if the ultimate need is for a 3-way system with considerably extended bass and volume capabilities at low distortion, then one should choose the ORION. The only limitation there would be a minimum room size of >240 ft2 (>22 m2) area, >8 ft ceiling height, and breathing room around the loudspeakers.   

A review of the Pluto-2 loudspeaker has been published by Peter Aczel of The Audio Critic.

------------------------------------------------------------------------------------

 

 

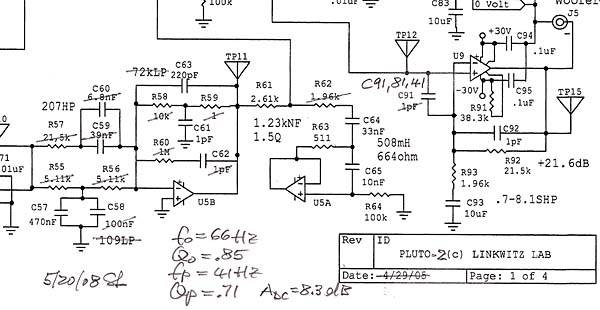
Conversion from PLUTO to Pluto-2

The Peerless midrange/woofer driver is replaced by the Seas L16RN-SL (H1480-08) unit. 

Circuit board components for the low frequency equalization and the 1.23 kHz notch filter must be changed. Capacitors should be added to compensate for potential instability of the power ICs during clipping .

LT response
R55, 56 = 8.25k
R57, 60 = 12.1k
R58, 59 = 21.5k

C59, 62 = 100nF
C60 = open
C57 = 470nF
C58 = 390nF
C61 = 330nF

Notch filter
R62 = 2.61k

Amplifier stability
C91, 81, 41 = 820pF

The VR1 tweeter level potentiometer setting should be centered for circuit tests but it will require listening tests to arrive at the optimum setting for your particular drivers and room conditions. First the two loudspeakers are placed right next to each other and compared with pink noise. The tweeter level of one loudspeaker is adjusted to make both sound as similar as possible. Next the speakers are moved to their normal playback position. Listen to a variety of program material such as on the PLUTO test CD and adjust the tweeter level by equal amounts on both speakers if necessary. Reduce the tweeter levels if the speakers sound thin and lack warmth and increase the playback volume level to compensate for the corresponding reduction in loudness. Since the tweeters cover such a wide range of frequencies above 1 kHz, their auditory effect is to change primarily the lower frequency volume perception and to establish the overall tonal balance of PLUTO. The final setting is critical to within 0.5 dB or one tick mark.

An additional heat sink should be constructed from >1/16th inch (>1.5 mm) thick Aluminum sheet metal to which the three ICs and the existing heat sinks are screwed. A Silicone base heat sink compound should be spread on the IC and existing heat sink mounting surfaces before assembly. The sheet metal heat sink for Pluto-2 is 6" x 2.75" in size with 6 through-holes of 1/8th inch (3 mm) diameter. This will not fit into an existing PLUTO amplifier base and therefore its dimensions must be changed to 9" x 1.75". The bottom row of holes should be 0.75" from the edge but depends upon how deeply the IC leads are soldered into the circuit board. Other hole distances are 2" and 13 mm.  

There is no need to change the rubber coupler or the amplifier enclosure of PLUTO. The new construction details that can be seen in the photos above have no acoustic consequences and will be detailed in the forthcoming full documentation of Pluto-2. They are cosmetic and for ease of building the system. 

 

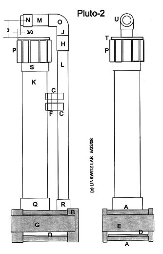
Some construction details

 

 

Part  Name  Material  Size (inch)  Quantity
A  Top & Bottom plate  3/4" plywood  10.5 x 6.5  2
B  Legs  3/4" plywood  5.5 x 2  4
D  Amplifier Mounting plate  1/4" plywood  10.5 x 6.25  1
E  Front trim plate  1/8" hardboard  8.25 x 3  1
G  Side trim plate  1/8" hardboard  10.5 x 3  2
C  Pipe bracket  5/16' plywood  3 x 1-3/8  4 
F  Pipe bracket base  3/4" plywood  3 x 1-7/8  1
P  Barrel plate  1/2" plywood  4 x 1-3/8  12
S  4" Pipe Coupler  ABS or PVC  5" outside diameter  1
K  Woofer pipe  4" ABS or PVC  27" long, 4.5" OD  1
L  Tweeter pipe 1  1.5" ABS or PVC  30" long  1
H  1.5" PVC Pipe coupler  PVC  3" long  1
J  Coupling insert  1.5" ABS or PVC  2" long  1
M  Tweeter pipe 2  1.5" ABS or PVC  4.25" long  1

The internal height of the base is 3.5".

 

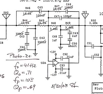
Conversion from Pluto-2 to Pluto-2+

With the addition of external subwoofers, an active crossover/equalizer and two power amplifiers, the Pluto-2 system becomes a 3-way loudspeaker system that is essentially identical in performance to the original PLUTO+. Therefore the same construction information applies. Only a few components in the crossover/equalizer have to be changed to accommodate the L16RN-SL driver. This changes the frequency response of the terminal voltage for the midrange driver so that its acoustic output properly adds to that of the subwoofer.   

LT for the L16RN-SL driver

R46, 47 = 19.6k
R44, 45 = 23.7k
R48, 49 = 3.83k

C45, 46 = 82nF
C42 = 330nF
C43, 44 = open

C48, 49 = 1uF
C50 = short

Note:

  • The original PLUTO manual together with the conversion information above and the information on the owner support page are all that is needed to build Pluto-2 and Pluto-2+.
  • The Pluto-2 electronics can be purchased as pre-assembled modules. The original PLUTO modules are no longer available.
  • The finished Pluto-2 and Pluto-2+ can be purchased from Wood Artistry.

---------------------------------------------------------------------------------------------

 

| Introduction | Specifications | Construction | Electronics | Supplies | Photos | PLUTO+ | Pluto-2 | Pluto-3 |

 

 

 

What you hear is not the air pressure variation in itself 
but what has drawn your attention
in the streams of superimposed air pressure variations 
at your eardrums

An acoustic event has dimensions of Time, Tone, Loudness and Space
Have they been recorded and rendered sensibly?

___________________________________________________________
Last revised: 04/17/2021   -  © 1999-2019 LINKWITZ LAB, All Rights Reserved