----- Experience in your own room the magical nature of stereo sound -----

 

 

What's new

 

LX - Store

 

BLACKLIST

 

Conversations
with Fitz

 

OPLUG
Forum

 

Basics

The Magic in 2-Channel Sound

Issues in speaker
design

Dipole models

Active filters

Amplifiers etc

Microphone

FAQ's

Loudspeakers

Crossovers

Room acoustics

Stereo Recording and Rendering

Audio production

Conclusions

 

Projects

Your own desig

LXmini

LXmini+2

LXstudio

LX521.4

LX521
reference

ORION
challenge

ORION-3.4

PLUTO-2.1

WATSON-SEL

PLUTO+
subwoofer

THOR
subwoofer

PHOENIX
dipole speaker

Three-Box active
system (1978)

Reference
earphones

Surround
sound

Loudspeaker
& Room

 

Resources

Publications

Sound recordings

Links

Other designs

My current setup

About me

Site map

 

HOME

 

------------------
Digital Photo
Processes

 

------------------
The
Sea Ranch

 

------------------
My Daughter
the Jeweler

 

What's new

 

LX - Store

 

Conversations
with Fitz

 

OPLUG
Forum

 

 

 

 

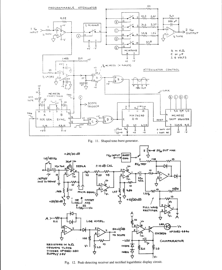
| Active XO | Passive XO | Burst test | All publications |

 

Top

 

 

What you hear is not the air pressure variation in itself 
but what has drawn your attention
in the streams of superimposed air pressure variations 
at your eardrums

An acoustic event has dimensions of Time, Tone, Loudness and Space
Have they been recorded and rendered sensibly?

___________________________________________________________
Last revised: 04/17/2021   -  © 1999-2019 LINKWITZ LAB, All Rights Reserved